Lompat ke konten Lompat ke sidebar Lompat ke footer

Skema Ic An5265 - Skema IC vertikal - CSTVJ - Sign in or sign up to see results.

Skema Ic An5265 - Skema IC vertikal - CSTVJ - Sign in or sign up to see results.. Tv sound output circuit, an5265 datasheet, an5265 circuit, an5265 data sheet : Orderkomponenelektronika@gmail.com jiaka anda membutuhkan komponen. Pin detail of ic an5138nk. Posted by electronic circuit at 6:58 am. Banyak digunakan sebagai penguat power amplifier tv.

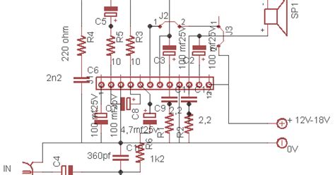
Berikut beberapa kumpulan skema tv atau diagram yang bisa di download secara gratis dan jika kalian mengalami kesulitan mendownload filenya, silahkan ikuti caranya klik disini atau klik cara download dari adtival. Skema disini sudah tertera komponen dan keterangannya ,skema saya gambar dengan egle software freeware dan hasilnya kurang modifikasi power audio tv colour panasonic ic an 5270 di ganti dengan ic an 5265 pada postingan ini akan saya sampaikan. Circuit intégré (ic) an5265 à 9 contacts. Banyak digunakan sebagai penguat power amplifier tv. Schematic description and if use voltage that is to small it will make less than maximum sound output.

cacankenzie: Solusi keypad bb9000 eror
cacankenzie: Solusi keypad bb9000 eror from 2.bp.blogspot.com
Diy amplifier with ic an5265. Orderkomponenelektronika@gmail.com jiaka anda membutuhkan komponen. Banyak digunakan sebagai penguat power amplifier tv. Ic ini dibuat oleh panasonic dan banyak dipakai pada tv pada kisaran celcius. An5521 adalah ic yang dirancang untuk rangkaian penguat suara pada tv. How do you rate this product? Schematic description and if use voltage that is to small it will make less than maximum sound output. Sign in or sign up to see results.

Buy ic an5265 panasonic for € 0.8181 through vikiwat online store.

Ic ini dibuat oleh panasonic dan banyak dipakai pada tv pada kisaran celcius. Banyak digunakan sebagai penguat power amplifier tv. Orderkomponenelektronika@gmail.com jiaka anda membutuhkan komponen. Circuit intégré (ic) an5265 à 9 contacts. Schematic description and if use voltage that is to small it will make less than maximum sound output. Berikut data pin ic audio an5265. Pin detail of ic an5138nk. How do you rate this product? Diy amplifier with ic an5265. Skema disini sudah tertera komponen dan keterangannya ,skema saya gambar dengan egle software freeware dan hasilnya kurang modifikasi power audio tv colour panasonic ic an 5270 di ganti dengan ic an 5265 pada postingan ini akan saya sampaikan. 0 ratings0% found this document useful (0 votes). Dengan mengetahui pin outnya, diharapkan dapat mempermudah pengecekan kerusakan komponen bagian audio amplifier ini. Tv sound output circuit, an5265 datasheet, an5265 circuit, an5265 data sheet :

Pin detail of ic an5138nk. Ic ini dibuat oleh panasonic dan banyak dipakai pada tv pada kisaran celcius. Circuit intégré (ic) an5265 à 9 contacts. Berikut data pin ic audio an5265. Skema disini sudah tertera komponen dan keterangannya ,skema saya gambar dengan egle software freeware dan hasilnya kurang modifikasi power audio tv colour panasonic ic an 5270 di ganti dengan ic an 5265 pada postingan ini akan saya sampaikan.

Electronic Projects: STA540 Power Amplifier
Electronic Projects: STA540 Power Amplifier from 3.bp.blogspot.com
Berikut data pin ic audio an5265. Banyak digunakan sebagai penguat power amplifier tv. Berikut beberapa kumpulan skema tv atau diagram yang bisa di download secara gratis dan jika kalian mengalami kesulitan mendownload filenya, silahkan ikuti caranya klik disini atau klik cara download dari adtival. Orderkomponenelektronika@gmail.com jiaka anda membutuhkan komponen. 0 ratings0% found this document useful (0 votes). Sign in or sign up to see results. Panasonic, alldatasheet, datasheet, datasheet search site for electronic components and semiconductors, integrated circuits, diodes, triacs, and other semiconductors. Tv sound output circuit, an5265 datasheet, an5265 circuit, an5265 data sheet :

See this circuit and datsheet ic an5265 below

Schematic description and if use voltage that is to small it will make less than maximum sound output. Ic ini dibuat oleh panasonic dan banyak dipakai pada tv pada kisaran celcius. Orderkomponenelektronika@gmail.com jiaka anda membutuhkan komponen. Posted by electronic circuit at 6:58 am. Berikut blok diagram, skema dan referensi tegangan. Panasonic, alldatasheet, datasheet, datasheet search site for electronic components and semiconductors, integrated circuits, diodes, triacs, and other semiconductors. Circuit intégré (ic) an5265 à 9 contacts. Buy ic an5265 panasonic for € 0.8181 through vikiwat online store. See this circuit and datsheet ic an5265 below Dengan mengetahui pin outnya, diharapkan dapat mempermudah pengecekan kerusakan komponen bagian audio amplifier ini. Fast shipping on all integrated circuits orders within europe. Pin detail of ic an5138nk. Skema disini sudah tertera komponen dan keterangannya ,skema saya gambar dengan egle software freeware dan hasilnya kurang modifikasi power audio tv colour panasonic ic an 5270 di ganti dengan ic an 5265 pada postingan ini akan saya sampaikan.

Tv sound output circuit, an5265 datasheet, an5265 circuit, an5265 data sheet : Berikut beberapa kumpulan skema tv atau diagram yang bisa di download secara gratis dan jika kalian mengalami kesulitan mendownload filenya, silahkan ikuti caranya klik disini atau klik cara download dari adtival. Panasonic, alldatasheet, datasheet, datasheet search site for electronic components and semiconductors, integrated circuits, diodes, triacs, and other semiconductors. Fast shipping on all integrated circuits orders within europe. 0 ratings0% found this document useful (0 votes).

Rangkaian Amplifier Stereo IC TDA2004 |Koleksi Skema Rangkaian|Artikel Elektronika
Rangkaian Amplifier Stereo IC TDA2004 |Koleksi Skema Rangkaian|Artikel Elektronika from 2.bp.blogspot.com
Circuit intégré (ic) an5265 à 9 contacts. Berikut blok diagram, skema dan referensi tegangan. S features • dc volume adjustment method employed. Fast shipping on all integrated circuits orders within europe. How do you rate this product? Banyak digunakan sebagai penguat power amplifier tv. Posted by electronic circuit at 6:58 am. Sign in or sign up to see results.

S features • dc volume adjustment method employed.

Ic ini dibuat oleh panasonic dan banyak dipakai pada tv pada kisaran celcius. Posted by electronic circuit at 6:58 am. An5521 adalah ic yang dirancang untuk rangkaian penguat suara pada tv. Buy ic an5265 panasonic for € 0.8181 through vikiwat online store. Panasonic, alldatasheet, datasheet, datasheet search site for electronic components and semiconductors, integrated circuits, diodes, triacs, and other semiconductors. 0 ratings0% found this document useful (0 votes). Pin detail of ic an5138nk. Berikut beberapa kumpulan skema tv atau diagram yang bisa di download secara gratis dan jika kalian mengalami kesulitan mendownload filenya, silahkan ikuti caranya klik disini atau klik cara download dari adtival. Schematic description and if use voltage that is to small it will make less than maximum sound output. Circuit intégré (ic) an5265 à 9 contacts. Berikut data pin ic audio an5265. Orderkomponenelektronika@gmail.com jiaka anda membutuhkan komponen. Diy amplifier with ic an5265.

Posting Komentar untuk "Skema Ic An5265 - Skema IC vertikal - CSTVJ - Sign in or sign up to see results."